
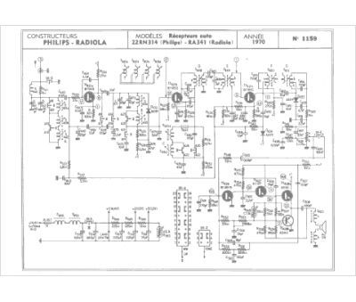
Marque :
Radiola
Modèle :
RA 341
Type appareil :
récepteur à tubes
Année :
1970
Pays d'origine :
France
