
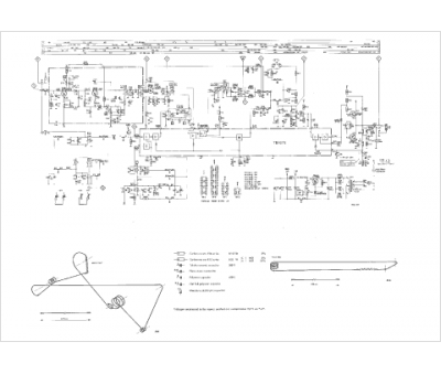
Marque :
Radiola
Modèle :
RA 323
Type appareil :
récepteur à transistors
Pays d'origine :
France
