
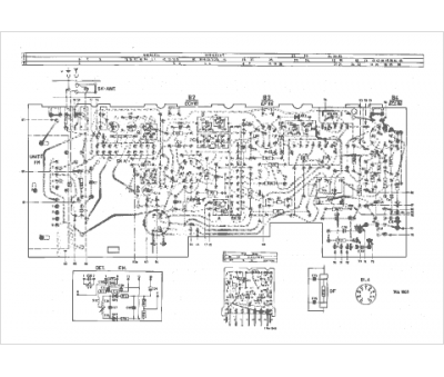
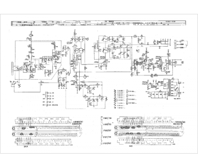
Marque :
Radiola
Modèle :
RA 3217 A
Type appareil :
récepteur à tubes
Pays d'origine :
France
