
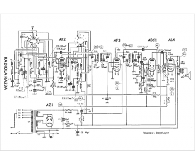
Marque :
Radiola
Modèle :
RA 23A
Type appareil :
récepteur à tubes
Pays d'origine :
France
