
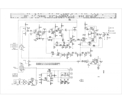
Marque :
Radiola
Modèle :
RA 2204
Type appareil :
récepteur à tubes
Pays d'origine :
France
