
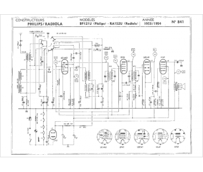
Marque :
Radiola
Modèle :
RA 152U
Type appareil :
récepteur à tubes
Année :
1953
Pays d'origine :
France
