
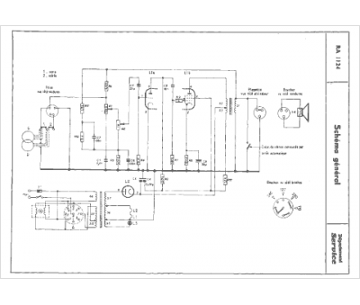
Marque :
Radiola
Modèle :
RA 1124
Type appareil :
récepteur à tubes
Année :
1960
Pays d'origine :
France
