
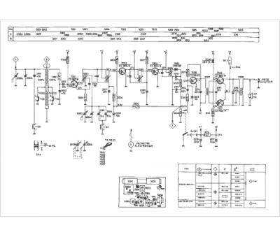
Marque :
Radiola
Modèle :
D 1016
Type appareil :
récepteur à transistors
Pays d'origine :
France
