
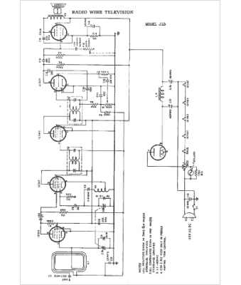
Marque :
Radio Wire TV
Modèle :
JL5
Type appareil :
récepteur à tubes
Année :
1949
Pays d'origine :
États-Unis
