
Marque :
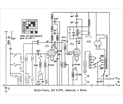
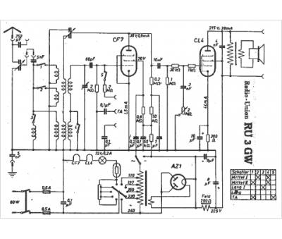
Radio Union
Modèle :
RU 3 GW
Type appareil :
récepteur à tubes
Pays d'origine :
Allemagne
