
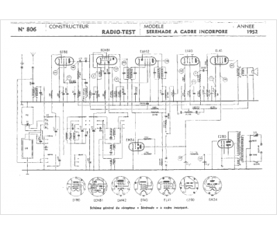
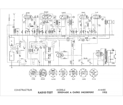
Marque :
Radio Test
Modèle :
Sérénade à cadre
Type appareil :
récepteur à tubes
Année :
1952
Pays d'origine :
France
