
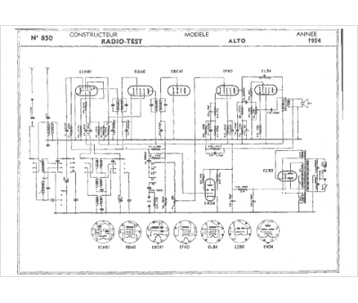
Marque :
Radio Test
Modèle :
Alto
Type appareil :
récepteur à tubes
Année :
1954
Pays d'origine :
France
