
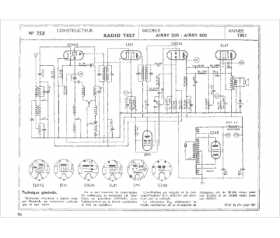
Marque :
Radio Test
Modèle :
Airby 500
Type appareil :
récepteur à tubes
Année :
1951
Pays d'origine :
France
