
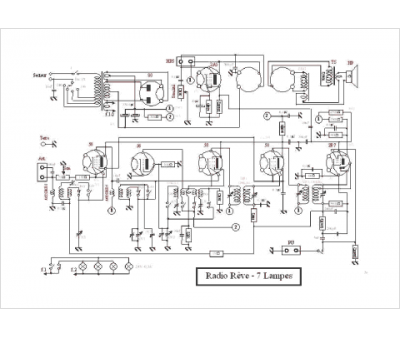
Marque :
Radio Rêve
Modèle :
7 Lampes
Type appareil :
récepteur à tubes
Pays d'origine :
France
