
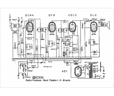
Marque :
Radio Preziosa
Modèle :
Titalele
Type appareil :
récepteur à tubes
Pays d'origine :
Italie
