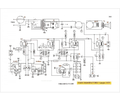
Marque :
Radio Manufacture
Modèle :
7 Lampes
Type appareil :
récepteur à tubes
Pays d'origine :
France

