
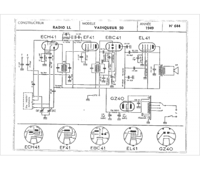
Marque :
Radio LL
Modèle :
Vainqueur 50
Type appareil :
récepteur à tubes
Année :
1949
Pays d'origine :
France
