
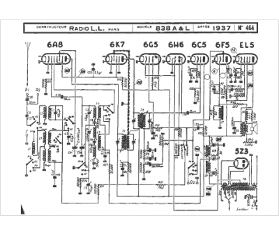
Marque :
Radio LL
Modèle :
838a
Type appareil :
récepteur à tubes
Année :
1938
Pays d'origine :
France
