
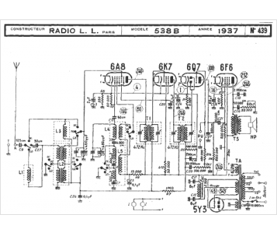
Marque :
Radio LL
Modèle :
538b
Type appareil :
récepteur à tubes
Année :
1937
Pays d'origine :
France
