
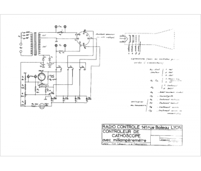
Marque :
Radio Contrôle
Modèle :
Contr. Cathoscope
Type appareil :
appareil de mesure
