
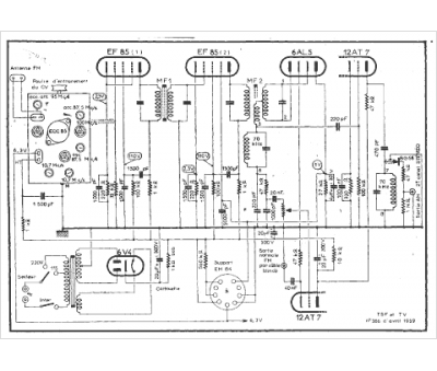
Marque :
Radio Bois
Modèle :
Tuner fm stéréo
Type appareil :
récepteur à tubes
Année :
1959
