
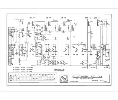
Marque :
Radialva
Modèle :
Transclub
Type appareil :
récepteur à transistors
Pays d'origine :
France
