
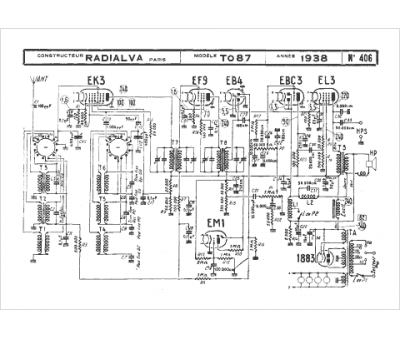
Marque :
Radialva
Modèle :
TO 87
Type appareil :
récepteur à tubes
Année :
1938
Pays d'origine :
France
