
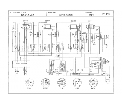
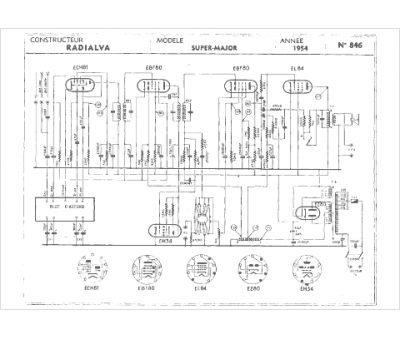
Marque :
Radialva
Modèle :
Super Major
Type appareil :
récepteur à tubes
Année :
1954
Pays d'origine :
France
