Retour à l'accueil
 
 
Recherche de schémas
Collection CD/DVD

Service schémathèque 

4 documents correspondent à votre recherche.

Caractéristiques de l'appareil
Marque :
Radialva
Modèle :
Super Chic 42
Type appareil :
récepteur à tubes
Année :
1942
Pays d'origine :
France
4 documents correspondant à cet appareil
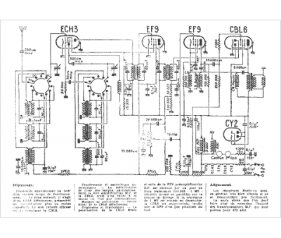
Schéma Radialva Super Chic 42
1 page
Document présent dans Rétro-schémas 2 Acheter
En ligne, disponible en téléchargement Télécharger
Schéma Radialva Super Chic 42
1 page
Document présent dans Rétro-schémas 2 Acheter
En ligne, disponible en téléchargement Télécharger
Schéma Radialva Super Chic 42, Radialva Super Chic 47, Radialva Super Chic 50, Radialva Super Chic 51, Radialva Super Chic 52, Radialva Super Chic
1 page
Document présent dans Rétro-schémas 2 Acheter
En ligne, disponible en téléchargement Télécharger
Schéma Radialva Super Chic 42, Radialva Super Chic 42, Radialva Super Chic 42
3 pages.
Document présent dans Rétro-docs 9 Acheter
En ligne, disponible en téléchargement Télécharger
Vous pouvez regrouper les téléchargements Tout télécharger
La consultation de cet espace schémathèque est en accès libre.