
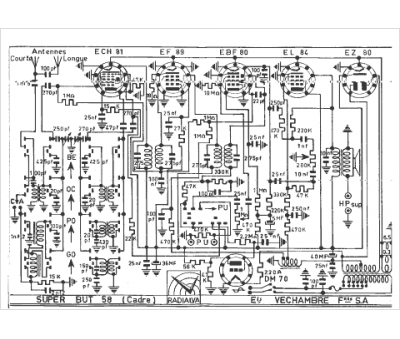
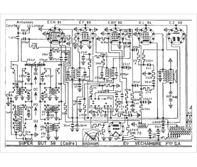
Marque :
Radialva
Modèle :
Super But 58
Type appareil :
récepteur à tubes
Pays d'origine :
France
