
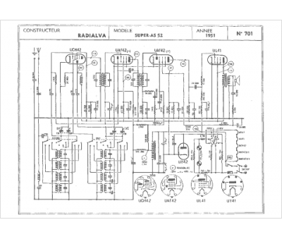
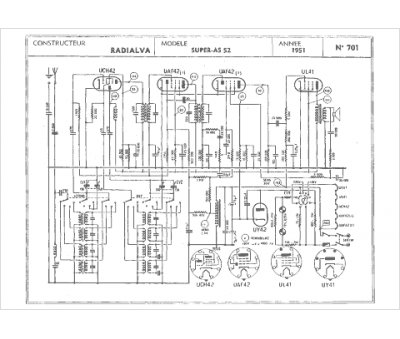
Marque :
Radialva
Modèle :
Super As 52
Type appareil :
récepteur à tubes
Année :
1951
Pays d'origine :
France
