
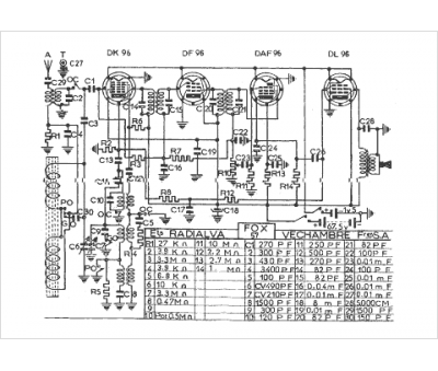
Marque :
Radialva
Modèle :
Fox 57
Type appareil :
récepteur à tubes
Année :
1957
Pays d'origine :
France
