
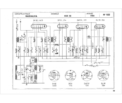
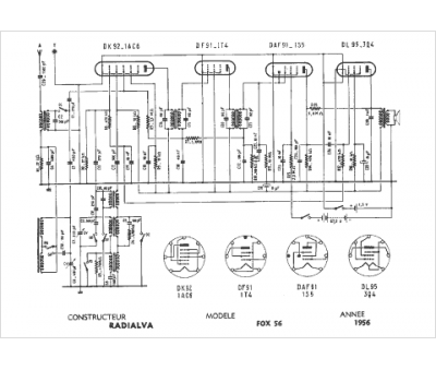
Marque :
Radialva
Modèle :
Fox 56
Type appareil :
récepteur à tubes
Année :
1956
Pays d'origine :
France
