
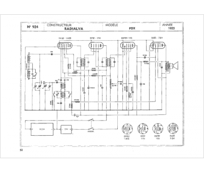
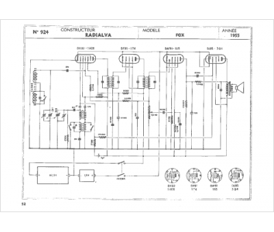
Marque :
Radialva
Modèle :
Fox
Type appareil :
récepteur à tubes
Année :
1955
Pays d'origine :
France
