
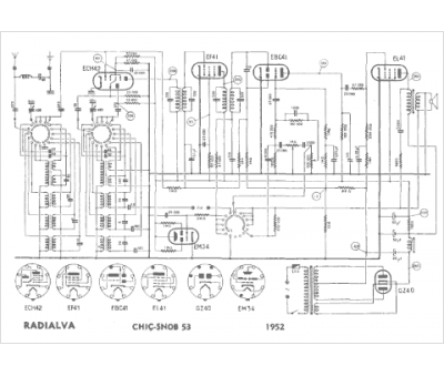
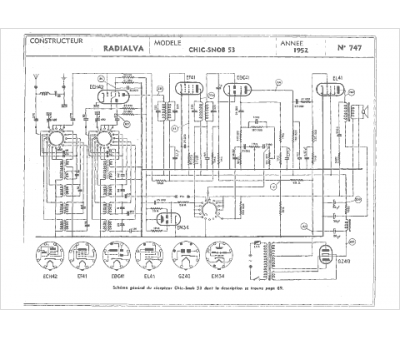
Marque :
Radialva
Modèle :
Chic Snob 53
Type appareil :
récepteur à tubes
Année :
1952
Pays d'origine :
France
