
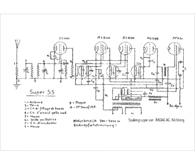
Marque :
															Radag																																															
														Modèle :
																S 5																																	
															Type appareil :
																récepteur à tubes
															Pays d'origine :
																Suisse
															