
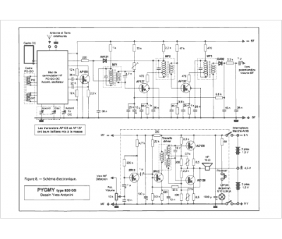
Marque :
Pygmy
Modèle :
850
Type appareil :
récepteur à transistors
Pays d'origine :
France
Transistors :
AF125, 2xAF127, 2x2R12, 2xAC128
Gammes d'ondes :
GO PO OC
