
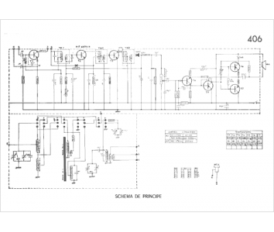
Marque :
Pygmy
Modèle :
406
Type appareil :
récepteur à transistors
Pays d'origine :
France
Transistors :
BF255|BF213, 2xBC170|BF253, BC182B|BC208B, BC213|BC308B, AC185|AC128, AC196|AC127
Gammes d'ondes :
GO (150 à 270 kHz)
PO (520 à 1620 kHz)
PO (520 à 1620 kHz)
Alimentation :
piles 2 x 4,5 V
