
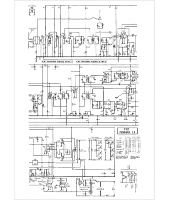
Marque :
Pye
Modèle :
Fenman II
Type appareil :
récepteur à tubes
Pays d'origine :
Grande-Bretagne
