
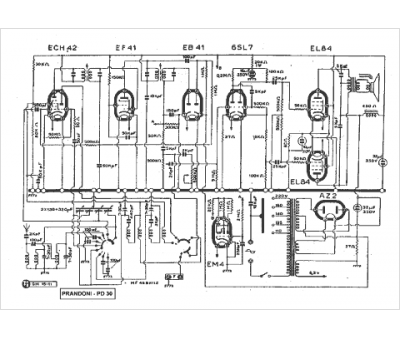
Marque :
Prandoni
Modèle :
PD 30
Type appareil :
récepteur à tubes
Pays d'origine :
Italie
