
Marque :
Prandoni
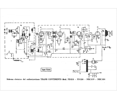
Modèle :
PD 213
Type appareil :
récepteur à tubes
Pays d'origine :
Italie
