
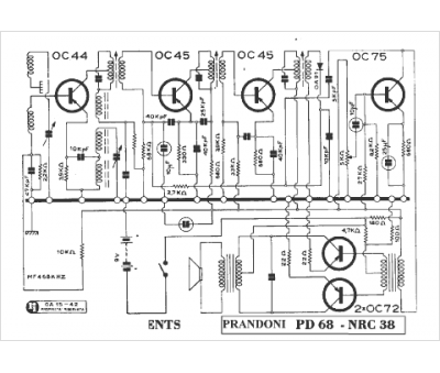
Marque :
Prandoni
Modèle :
NRC 38
Type appareil :
récepteur à tubes
Pays d'origine :
Italie
