
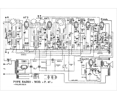
Marque :
Pope
Modèle :
P67
Type appareil :
récepteur
Pays d'origine :
Italie
