
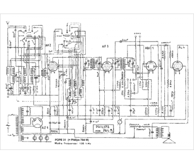
Marque :
Pope
Modèle :
P31
Type appareil :
récepteur
Pays d'origine :
Italie
