
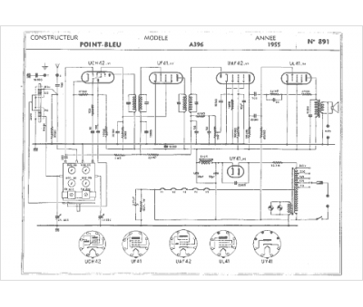
Marque :
Point Bleu
Modèle :
A 396
Type appareil :
récepteur à tubes
Année :
1955
Pays d'origine :
France
