
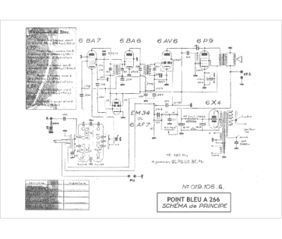
Marque :
Point Bleu
Modèle :
A 266
Type appareil :
récepteur à tubes
Pays d'origine :
France
