
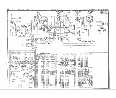
Marque :
Point Bleu
Modèle :
4 W 9
Type appareil :
récepteur à tubes
Année :
1934
Pays d'origine :
France
