
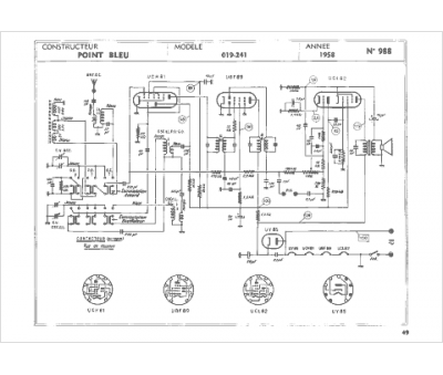
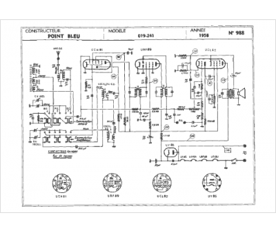
Marque :
Point Bleu
Modèle :
019-241
Type appareil :
récepteur à tubes
Année :
1958
Pays d'origine :
France
