
Marque :
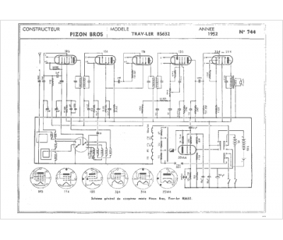
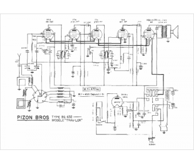
Pizon Bros
Modèle :
Trav-ler BS 632
Type appareil :
récepteur à tubes
Année :
1952
