
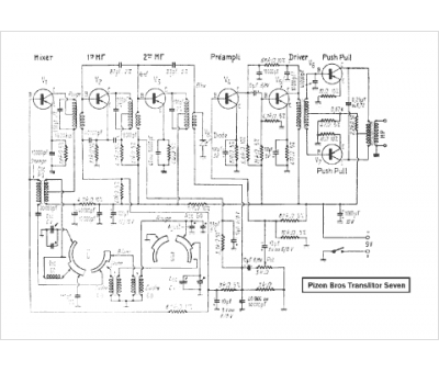
Marque :
Pizon Bros
Modèle :
Translitor Seven
Type appareil :
récepteur à transistors
