
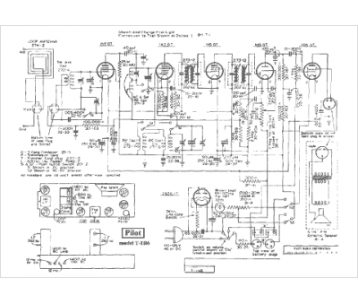
Marque :
Pilot
Modèle :
T-1B6
Type appareil :
récepteur à tubes
Année :
1941
Pays d'origine :
Grande-Bretagne, États-Unis
