
Marque :
Pigeon voyageur
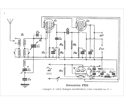
Modèle :
Detectrice FEG
Type appareil :
récepteur à tubes
Pays d'origine :
France
