
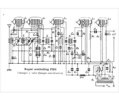
Marque :
Pigeon voyageur
Modèle :
Antifading FEG
Type appareil :
récepteur à tubes
Pays d'origine :
France
