
Marque :
Pigeon voyageur
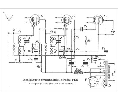
Modèle :
Ampl. directe FEG
Type appareil :
récepteur à tubes
Pays d'origine :
France
